OEM SMP hermetisch afgesloten connector Supplier

Ningbo Hanson Communicatietechnologie Co., Ltd. Thuis / Producten / Hermetisch afgesloten serie / SMP hermetisch afgesloten connector

SMP hermetisch afgesloten connector

Beschrijving:

De hermetische RF-coaxiale connector van het SMP-J-type heeft de kenmerken van een hermetische verpakking en kan worden verpakt en gelast op de buismantel of het apparaatpaneel. De schaal en de binnengeleider van dit product zijn gemaakt van Kovar-legeringsmateriaal en het oppervlak kan worden geplateerd met hard goud of zacht goud; het isolatiemedium is gemaakt van glas dat bij hoge temperatuur is gesinterd en de diëlektrische constante is ongeveer 4. Het heeft de voordelen van klein formaat, lichtgewicht, hermetische afdichting, hoge betrouwbaarheid, enz. Het wordt meestal gebruikt in gelegenheden met afdichtingsvereisten of speciale eisen aan productvolume en gewicht, en is geschikt voor intensieve installatie.

Informeer

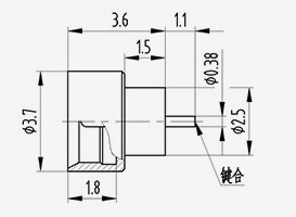
Basisstructuur:
De luchtdichte RF-coaxiale connector van het SMP-J-type bestaat gewoonlijk uit drie delen: buitengeleider, glasmedium en binnengeleider, en de basisstructuur wordt weergegeven in de figuur.

Wanneer het blootliggende deel van de binnengeleider van het product wordt verbonden door insteken of oppervlaktelassen, kan het eindvlak van de binnengeleider worden geproduceerd als een bolvormige kop; wanneer het blootliggende deel van de binnengeleider van het product wordt verbonden door middel van lijmen, kan het kopvlak van de binnengeleider als platte kop worden uitgevoerd of kan de zijkant van het blootliggende deel van de binnengeleider worden gefreesd.

Belangrijkste technische parameters:

Elektrische kenmerken
Karakteristieke impedantie 50Ω Frequentiebereik Gelijkstroom~40GHz
Diëlektrische weerstandsspanning 500Vrms Isolatieweerstand 2000M Ω
Spanning VSWR <1,4 Invoegverlies ≤0,05 √f dB(GHz)
Materiaal en mechanische, milieu-eigenschappen
Behuizing Lavable legering/verguld Pinnen Sluit Thorium aan Delegeerbare legering verguld
Isolatie medium Glas Duurzaamheid van de connector Volledige detent ≥100 keer
Lekkage tarief ≤1,01325×10 Pa ·m³/s Beperkte pal ≥500 keer
Bedrijfstemperatuur -65℃~ 165℃ Gladde boring ≥1000 keer

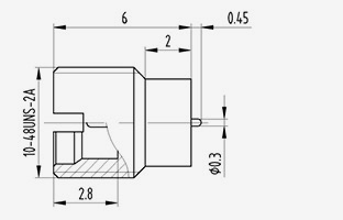
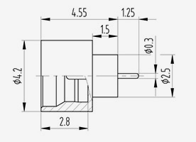
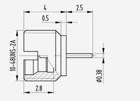
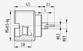
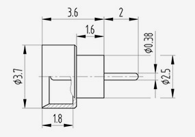
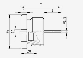
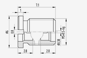
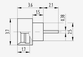
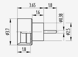
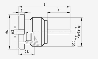
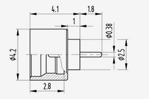
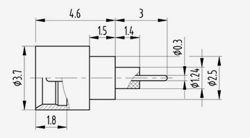
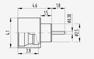
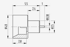
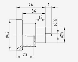
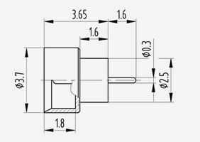
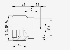
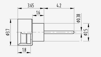
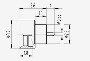
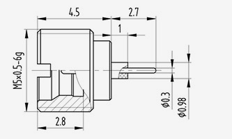
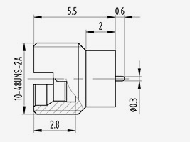
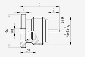
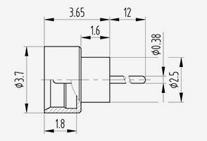
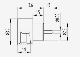
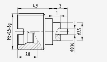
Interface-afmetingen:
Luchtdichte RF-coaxiale connectoren van het SMP-J-type hebben drie interfacevormen: volledig echappement, half echappement en lichtgat. Bij de naamgeving van het model betekent F volledig echappement, L betekent half echappement en S betekent licht gat. De interface-afmetingen zijn onderverdeeld in standaard interface-afmetingen en korte interface-afmetingen, die beide compatibel zijn met stekkers van het SMP-K-type.

Standaard interfacegrootte:

Korte interfacegrootte:

SMP SERIES
  • SMP(M)-JYD3S
    SMP(M)-JYD3S
    Model Opmerkingen
    SMP(M)-JYD3S Gladde boring
  • SMP(M)-JYD6L
    SMP(M)-JYD6L
    Model Opmerkingen
    SMP(M)-JYD6L Beperkte pal
  • SMP(M)-JYD12L
    SMP(M)-JYD12L
    Model Opmerkingen
    SMP(M)-JYD12L Volledige detentie
  • SMP(M)-JYD13F
    SMP(M)-JYD13F
    Model Opmerkingen
    SMP(M)-JYD13F Volledige detentie
  • SMP(M)-JYD14L
    SMP(M)-JYD14L
    Model Opmerkingen
    SMP(M)-JYD14L Beperkte pal
  • SMP(M)-JYD17S
    SMP(M)-JYD17S
    Model Opmerkingen
    SMP(M)-JYD17S Gladde boring
  • SMP(M)-JYD19L
    SMP(M)-JYD19L
    Model Opmerkingen
    SMP(M)-JYD19L Beperkte pal
  • SMP(M)-JYD22S
    SMP(M)-JYD22S
    Model Opmerkingen
    SMP(M)-JYD22S Beperkte pal
  • SMP(M)-JYD23S
    SMP(M)-JYD23S
    Model Opmerkingen
    SMP(M)-JYD23S Beperkte pal
  • SMP(M)-JYD24S
    SMP(M)-JYD24S
    Model Opmerkingen
    SMP(M)-JYD24S Beperkte pal
  • SMP(M)-JYD25L
    SMP(M)-JYD25L
    Model Opmerkingen
    SMP(M)-JYD25L Beperkte pal
  • SMP(M)-JYD26L
    SMP(M)-JYD26L
    Model Opmerkingen
    SMP(M)-JYD26L Beperkte pal
  • SMP(M)-JYD27L
    SMP(M)-JYD27L
    Model Opmerkingen
    SMP(M)-JYD27L Beperkte pal
  • SMP(M)-JYD28L
    SMP(M)-JYD28L
    Model Opmerkingen
    SMP(M)-JYD28L Beperkte pal
  • SMP(M)-JYD29L
    SMP(M)-JYD29L
    Model Opmerkingen
    SMP(M)-JYD29L Beperkte pal
  • SMP(M)-JYD30L
    SMP(M)-JYD30L
    Model Opmerkingen
    SMP(M)-JYD30L Beperkte pal
  • SMP(M)-JYD31L
    SMP(M)-JYD31L
    Model Opmerkingen
    SMP(M)-JYD31L Beperkte pal
  • SMP(M)-JYD32F
    SMP(M)-JYD32F
    Model Opmerkingen
    SMP(M)-JYD32F Beperkte pal
  • SMP(M)-JYD33L
    SMP(M)-JYD33L
    Model Opmerkingen
    SMP(M)-JYD33L Beperkte pal
  • SMP(M)-JYD34L
    SMP(M)-JYD34L
    Model Opmerkingen
    SMP(M)-JYD34L Beperkte pal
  • SMP(M)-JYD35L
    SMP(M)-JYD35L
    Model Opmerkingen
    SMP(M)-JYD35L Beperkte pal
  • SMP(M)-JYD37L
    SMP(M)-JYD37L
    Model Opmerkingen
    SMP(M)-JYD37L Beperkte pal
  • SMP(M)-JYD41L
    SMP(M)-JYD41L
    Model Opmerkingen
    SMP(M)-JYD41L Beperkte pal
  • SMP(M)-JYD42S
    SMP(M)-JYD42S
    Model Opmerkingen
    SMP(M)-JYD42S Beperkte pal
  • SMP(M)-JYD43L
    SMP(M)-JYD43L
    Model Opmerkingen
    SMP(M)-JYD43L Beperkte pal
  • SMP(M)-JYD44L
    SMP(M)-JYD44L
    Model Opmerkingen
    SMP(M)-JYD44L Beperkte pal
  • SMP(M)-JYD45L
    SMP(M)-JYD45L
    Model Opmerkingen
    SMP(M)-JYD45L Beperkte pal
  • SMP(M)-JYD46L
    SMP(M)-JYD46L
    Model Opmerkingen
    SMP(M)-JYD46L Beperkte pal
  • SMP(M)-JYD47L
    SMP(M)-JYD47L
    Model Opmerkingen
    SMP(M)-JYD47L Beperkte pal
  • SMP(M)-JYD48L
    SMP(M)-JYD48L
    Model Opmerkingen
    SMP(M)-JYD48L Beperkte pal
  • SMP(M)-JYD49L
    SMP(M)-JYD49L
    Model Opmerkingen
    SMP(M)-JYD49L Beperkte pal
  • SMP(M)-JYD50S
    SMP(M)-JYD50S
    Model Opmerkingen
    SMP(M)-JYD50S Gladde boring
  • SMP(M)-JYD51L
    SMP(M)-JYD51L
    Model Opmerkingen
    SMP(M)-JYD51L Beperkte pal
  • SMP(M)-JYD52S
    SMP(M)-JYD52S
    Model Opmerkingen
    SMP(M)-JYD52S Gladde boring
  • SMP(M)-JYD53L
    SMP(M)-JYD53L
    Model Opmerkingen
    SMP(M)-JYD53L Beperkte pal
  • SMP(M)-JYD54S
    SMP(M)-JYD54S
    Model Opmerkingen
    SMP(M)-JYD54S Gladde boring
  • SMP(M)-JYD55L
    SMP(M)-JYD55L
    Model Opmerkingen
    SMP(M)-JYD55L Beperkte pal
  • SMP(M)-JYD57S
    SMP(M)-JYD57S
    Model Opmerkingen
    SMP(M)-JYD57S Gladde boring
  • SMP(M)-JYD80L
    SMP(M)-JYD80L
    Model Opmerkingen
    SMP(M)-JYD80L Beperkte pal
  • SMP(M)-JYD81L
    SMP(M)-JYD81L
    Model Opmerkingen
    SMP(M)-JYD81L Beperkte pal
  • SMP(M)-JYD82L
    SMP(M)-JYD82L
    Model Opmerkingen
    SMP(M)-JYD82L Beperkte pal
  • SMP(M)-JYD83F
    SMP(M)-JYD83F
    Model Opmerkingen
    SMP(M)-JYD83F Volledige detentie
  • SMP(M)-JYD84S
    SMP(M)-JYD84S
    Model Opmerkingen
    SMP(M)-JYD84S Gladde boring
  • SMP(M)-JYD85S
    SMP(M)-JYD85S
    Model Opmerkingen
    SMP(M)-JYD85S Gladde boring
  • SMP(M)-JYD86L
    SMP(M)-JYD86L
    Model Opmerkingen
    SMP(M)-JYD86L Beperkte pal
  • SMP(M)-JYD87S
    SMP(M)-JYD87S
    Model Opmerkingen
    SMP(M)-JYD87S Gladde boring
  • SMP(M)-JYD88L
    SMP(M)-JYD88L
    Model Opmerkingen
    SMP(M)-JYD88L Beperkte pal
  • SMP(M)-JYD89L
    SMP(M)-JYD89L
    Model Opmerkingen
    SMP(M)-JYD89L Beperkte pal
  • SMP(M)-JYD90L
    SMP(M)-JYD90L
    Model Opmerkingen
    SMP(M)-JYD90L Beperkte pal
  • SMP(M)-JYD91L
    SMP(M)-JYD91L
    Model Opmerkingen
    SMP(M)-JYD91L Beperkte pal
  • SMP(M)-JYD92L
    SMP(M)-JYD92L
    Model Opmerkingen
    SMP(M)-JYD92L Beperkte pal
  • SMP(M)-JYD93S
    SMP(M)-JYD93S
    Model Opmerkingen
    SMP(M)-JYD93S Gladde boring
  • SMP(M)-JYD94L
    SMP(M)-JYD94L
    Model Opmerkingen
    SMP(M)-JYD94L Beperkte pal
  • SMP(M)-JYD95L
    SMP(M)-JYD95L
    Model Opmerkingen
    SMP(M)-JYD95L Beperkte pal
  • SMP(M)-JYD96L
    SMP(M)-JYD96L
    Model Opmerkingen
    SMP(M)-JYD96L Beperkte pal
  • SMP(M)-JYD97S
    SMP(M)-JYD97S
    Model Opmerkingen
    SMP(M)-JYD97S Gladde boring
  • SMP(M)-JYJ1S
    SMP(M)-JYJ1S
    Model Opmerkingen
    SMP(M)-JYJ1S Gladde boring

HOUD CONTACT

[#invoer#]
VERZENDEN
Over ons
Ningbo Hanson Communicatietechnologie Co., Ltd.
Ningbo Hanson Communicatietechnologie Co., Ltd.
Ningbo Hanson Communication Technology Co., Ltd. is China SMP hermetisch afgesloten connector Supplier and Custom SMP hermetisch afgesloten connector Company. We are a manufacturer specializing in the production, processing, and trade of communication components, with more than 30 years of experience in RF coaxial connectors, adapters, and cable assemblies. Het bedrijf heeft nu een eigen bewerkingswerkplaats, galvaniseerwerkplaats, assemblagewerkplaats en een groep stabiele en betrouwbare leveranciers ontwikkeld. Het doel van het bedrijf is om klanten producten van hoge kwaliteit te bieden. De belangrijkste producten zijn RF-coaxiale connectoren, adapters, hoogfrequente kabelassemblages en kabelassemblages met lage intermodulatie. Daarnaast kan het bedrijf ook diensten verlenen aan klanten met aangepaste behoeften om te voldoen aan de speciale productvereisten van klanten. De producten van het bedrijf worden veel gebruikt in de lucht- en ruimtevaart, communicatiebasisstations, medische apparatuur en andere hightechgebieden. Ten tijde van bedrijfshervormingen, innovatie, ontwikkeling en groei nam het bedrijf het initiatief om zich aan te sluiten bij het ISO9001 internationale kwaliteitsmanagementsysteem en verbeterde het managementniveau voortdurend om meer bevredigende producten en diensten aan nieuwe en oude klanten te bieden.
Laatste nieuws
Op zoek naar zakelijke kansen?

Vraag vandaag nog een gesprek aan