OEM RF-glasisolator Supplier

RF-glasisolator

Beschrijving:

Glasisolatoren maken gebruik van een glassinterstructuur met goede afdichtingsprestaties. Ze kunnen worden gebruikt met millimetergolfconnectoren zoals SMA en 2.92, maar kunnen ook rechtstreeks worden gebruikt tussen printplaten, sjablonen en sjablonen en componenten. Het maakt gebruik van glas (diëlektrische constante is ongeveer 4,0) als materiaal voor het isolatiemedium, en de binnen- en buitengeleiders zijn gemaakt van Kovar-legeringsmateriaal. Na sinteren bij hoge temperatuur wordt het oppervlak vernikkeld met goud. Glasisolatoren hebben de voordelen van klein formaat, licht gewicht, luchtdichtheid en hoge betrouwbaarheid. Ze worden meestal gebruikt bij gelegenheden waarbij afdichtingseisen gelden, of eisen ten aanzien van productvolume en -gewicht. Ze zijn geschikt voor intensieve installatie. De binnengeleider kan op verschillende manieren worden aangesloten, zoals plug-in, opbouwmontage, lassen en gouddraadverbindingen.

Informeer

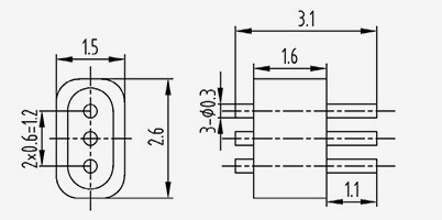
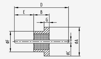
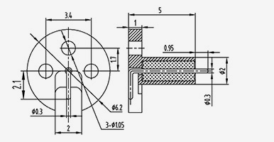
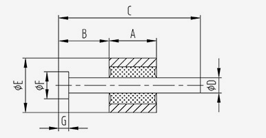
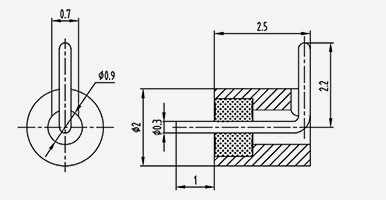
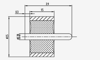
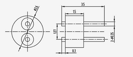
Basisstructuur:
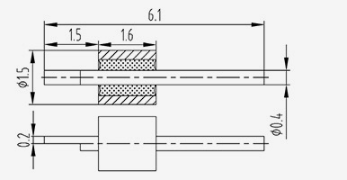
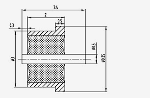
Glasisolator bestaat meestal uit drie delen: buitengeleider, glasmedium en binnengeleider, en de basisstructuur ervan wordt weergegeven in de volgende afbeelding.

Technische specificaties en betrouwbaarheidstesten:

Elektrische kenmerken
Karakteristieke impedantie 50Ω of anders Frequentiebereik Gelijkstroom~65GHz
Diëlektrische weerstandsspanning ≥500V Isolatieweerstand ≥5000MΩ
Contactweerstand Binnengeleider≤3m Ω Spanning VSWR (50Ω) ≤ 1,05 0,008f (v: GHz)
Buitengeleider ≤2m Ω RF-invoegverlies (50Ω) ≤0,05 √ f (f: GHz)
Materiaal en mechanische, milieu-eigenschappen
Buitenste geleider Delegeerbare legeringen Luchtlekkage 1,01*10 -9 Pa.m 3 /S
Innerlijke geleider Afbreekbare legeringen Bedrijfstemperatuur -65 ~ 165
Isolatie medium Glas

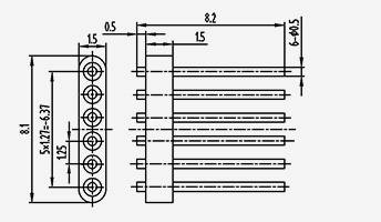
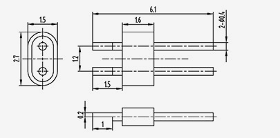
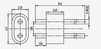
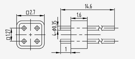
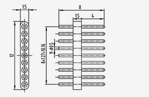
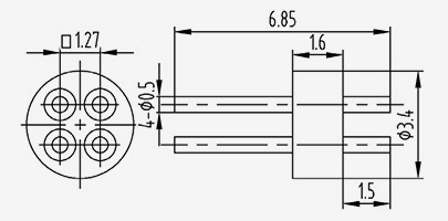
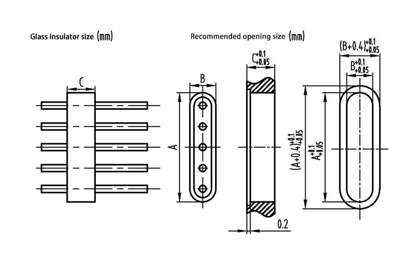
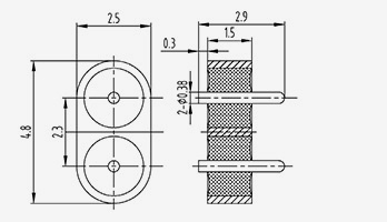
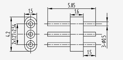
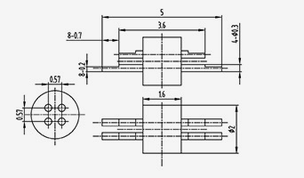
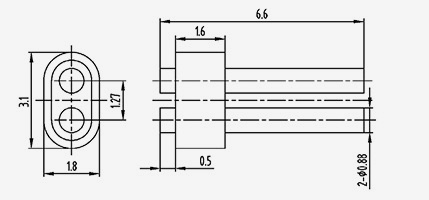
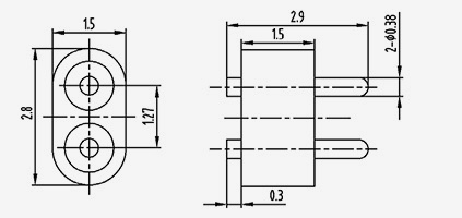
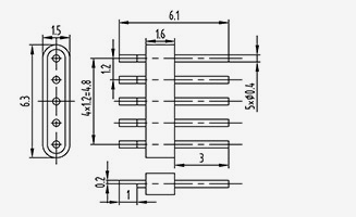
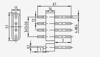
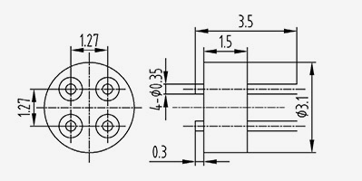
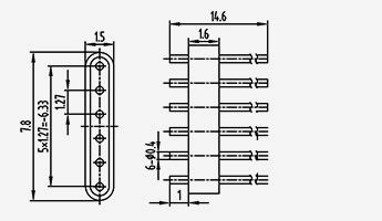
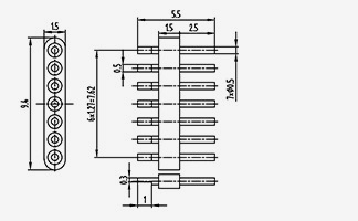
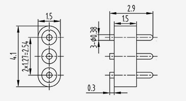
Aanbevolen installatiematen voor glasisolatoren
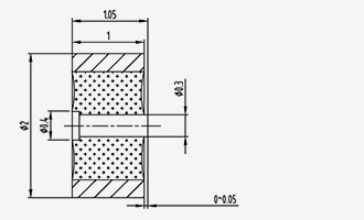
De aanbevolen afmetingen van de installatieopening voor enkeladerige glasisolatoren worden hieronder weergegeven:

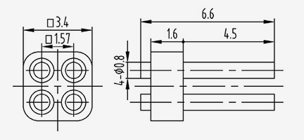
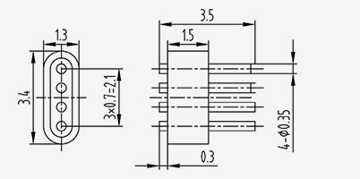
De aanbevolen afmetingen van de montageopening voor meeraderige glasisolatoren worden hieronder weergegeven:

Elektrische prestatietesten van glasisolatoren:
Glasisolatoren met karakteristieke impedantie van 50 ohm met standaard SMA, 2,92, 2,4, enz. millimetergolfconnectoren die aan beide uiteinden zijn gekoppeld voor het testen van elektrische prestaties.

RF SERIES
  • 50Ω karakteristieke impedantie-enkele kern ronde kop
    50Ω karakteristieke impedantie-enkele kern ronde kop
    Model Grootte (mm)
    A B C D E
    HS1710-0,23(2,8-0,3) 1.73 1 0.23 2.8 0.3
    HS1710-0,23(6,2-2,7) 1.73 1 0.23 6.2 2.7
    HS1710A 1.73 1 0.23 3 1
    HS1714-0,23(2-0,3) 1.73 1.4 0.23 2 0.3
    V1714-0,23(2,69-0,5) 1.73 1.4 0.23 2.7 0.5
    V1714-0,23(3,9-1,7) 1.73 1.4 0.23 3.9 1.7
    V1714-0,23(4,5-1,7) 1.73 1.4 0.23 4.5 1.7
    HS1714-0,23(3-1,1) 1.73 1.4 0.23 3 1.1
    HSI714E 1.73 1.4 0.23 2.9 1
    HS1714F 1.73 1.4 0.23 2.79 0.9
    HS1715-0,23(3,2-0,8) 1.73 1.5 0.23 3.2 0.8
    HS1716A 1.73 1.65 0.23 3.4 1
    V1719-0,23(5,0-1,7) 1.73 1.9 0.23 5 1.7
    V1720-0,23(3,3-0,5) 1.73 2 0.23 3.3 0.5
    HS1720-0,23(3,7-1,2) 1.73 2 0.23 3.7 1.2
    V1720-0,23(4,0-1,0) 1.73 2 0.23 4 1
    HS1720-0,23(6-2) 1.73 2 0.23 6 2
    V1724-0,23(3,7-0,5) 1.73 2.4 0.23 3.7 0.5
    HS1724-0,23(4,5-1,7) 1.73 2.4 0.23 4.5 1.7
  • 50Ω karakteristieke impedantie-enkele kern ronde kop
    50Ω karakteristieke impedantie-enkele kern ronde kop
    Model Maat (mm)
    A B C D E
    V1727-0,23(4,0-0,5) 1.73 2.7 0.23 4 0.5
    HS1727A 1.73 2.7 0.23 4.7 1
    HS1728-0,23(4-0,5) 1.73 2.8 0.23 4 0.5
    HS1730-0,23(4,3-0,5) 1.73 3 0.23 4.3 0.5
    V1730-0,23(5,0-1,0) 1.73 3 0.23 5 1
    HS1734-0.23-01 1.73 3.4 0.23 5.2 1
    HS1744-0.23-01 1.73 4.4 0.23 6.2 1
    HS1749-0,23(8,9-2,0) 1.73 4.9 0.23 8.9 2
    HS1751A 1.73 5.1 0.23 5.9 0.4
    HS1756-0,23(6,6-0,5) 1.73 5.6 0.23 6.6 0.5
    HS1914-0,3(2,55-0,35) 1.9 1.4 0.3 2.55 0.35
    HS1914-0,3(3,2-1,1) 1.9 1.4 0.3 3.2 1.1
    HS1914C 1.9 1.4 0.3 3.6 0.7
    HS1914-0,3(4,4-2) 1.9 1.4 0.3 4.4 2
    HS1914-0,3(3,2-1,1) 1.9 1.4 0.3 3.2 1.1
    HS1914-0,3(3,8-1,2) 1.9 1.4 0.3 3.8 1.2
    HS1914-0,3(4,4-2) 1.9 1.4 0.3 4.4 2
    HS1916-0,3(4,7-0,8) 1.9 1.6 0.3 4.7 0.8
    HS1916B 1.9 1.6 0.3 4.9 0.8
  • 50Ω karakteristieke impedantie-enkele kern ronde kop
    50Ω karakteristieke impedantie-enkele kern ronde kop
    Model Grootte (mm)
    A B C D E
    HS1917-0,3(3,45-1) 1.9 1.75 0.3 3.45 1
    HS1918-0,3(5,8-2) 1.9 1.8 0.3 5.8 2
    HS1918-0,3(7,8-4,2) 1.9 1.8 0.3 7.8 4.2
    HS1918-0,3(3,5-1) 1.95 1.8 0.3 3.5 1
    HS1934-0,3(4,6-0,4) 1.9 3.4 0.3 4.6 0.4
    HS2006-0.3(3.2-2) 2 0.6 0.3 3.2 2
    HS2008-0.3(1.32-0.26) 2 0.8 0.3 1.32 0.26
    HS2008F 2 0.8 0.3 1.7 0.45
    HS2008-0.3(1.8-0.3) 2 0.8 0.3 1.8 0.3
    HS2008-0.3(2.8-1.0) 2 0.8 0.3 2.8 1
    HS2008-0.3(3.0-1.5) 2 0.8 0.3 3 1.5
    HS2008-0.3(3.4-0.8) 2 0.8 0.3 3.4 0.8
    HS2008-0.3(3.6-1.2) 2 0.8 0.3 3.6 1.2
    HS2008-0.3(5.4-2.6) 2 0.8 0.3 5.4 2.6
    HS2008-0.3(6-2.6) 2 0.8 0.3 6 2.6
    HS2010-0.3(2.1-0.7) 2 1 0.3 2.1 0.7
    HS2010-0.3(2.5-1) 2 1 0.3 2.5 1
    HS2010-0.3(3.2-1.2) 2 1 0.3 3.2 1.2
    HS2011-0.3(2.1-0.5) 2 1.1 0.3 2.1 0.5
  • 50Ω karakteristieke impedantie-enkele kern ronde kop
    50Ω karakteristieke impedantie-enkele kern ronde kop
    Model Grootte (mm)
    A B C D E
    HS2012A 2 1.2 0.3 3.5 1.2
    HS2012-0.3(6-1.8) 2 1.2 0.3 6 1.8
    HS2012-0.3(6.7-1.5) 2 1.2 0.3 6.7 1.5
    HS2013-0.3(2.3-0.5) 2 1.3 0.3 2.3 0.5
    HS2014-0,3(1,92-0,26) 2 1.4 0.3 1.92 0.26
    HS2014-0.3(2.12-0.36) 2 1.4 0.3 2.12 0.36
    HS2014-0.3(2.4-0.5) 2 1.4 0.3 2.4 0.5
    HS2014D 2 1.4 0.3 3.1 0.45
    HS2014-0.3(4.4-1.5) 2 1.4 0.3 4.4 1.5
    HS2014-0.3(4.4-1) 2 1.4 0.3 4.4 1
    HS2014-0,3(4,55-1,5) 2 1.4 0.3 4.55 1.5
    HS2014-0.3(4.65-1.5) 2 1.4 0.3 4.65 1.5
    HS2014-0.3(5.5-1.9) 2 1.4 0.3 5.5 1.9
    HS2014-0.3(5.7-1.8) 2 1.4 0.3 5.7 1.8
    HS2014-0.3(8.0-4.6) 2 1.4 0.3 8 4.6
    HS2014-0.3(8-1.9) 2 1.4 0.3 8 1.9
    HS2015-0,3(3,25-0,75) 2 1.5 0.3 3.25 0.75
    HS2016-0.3(2.7-0.7) 2 1.6 0.3 2.7 0.7
    HS2016-0.3(2.8-0.5) 2 1.6 0.3 2.8 0.5
  • 50Ω karakteristieke impedantie-enkele kern ronde kop
    50Ω karakteristieke impedantie-enkele kern ronde kop
    Model Maat (mm)
    A B C D E
    HS2016-0.3(3.5-1.2) 2 1.6 0.3 3.5 1.2
    HS2016-0.3(3.6-1) 2 1.6 0.3 3.6 1
    HS2016-0.3(3.9-0.4) 2 1.6 0.3 3.9 0.4
    HS2016E 2 1.6 0.3 3.9 0.6
    HS2016-0.3(4.1-1) 2 1.6 0.3 4.1 1
    HS2016-0.3(4.2-0.8) 2 1.6 0.3 4.2 0.8
    HS2016-0.3(4.6-1.2) 2 1.6 0.3 4.6 1.2
    HS2016-0.3(4.6-1.8) 2 1.6 0.3 4.6 1.8
    Ka2016-0.3(5-2.9) 2 1.6 0.3 5 2.9
    HS2016-0.3(5.2-1.8) 2 1.6 0.3 5.2 1.8
    HS2016-0.3(8.0-4.6) 2 1.6 0.3 8 4.6
    HS2016-0.3(8-1.8) 2 1.6 0.3 8 1.8
    HS2016-0.3(12-2.4) 2 1.6 0.3 12 2.4
    HS2016-0.3(20.4-4.6) 2 1.6 0.3 20.4 4.6
    HS2017-0.3(3.3-0.8) 2 1.7 0.3 3.3 0.8
    HS2017-0.3(8.5-2.0) 2 1.7 0.3 8.5 2
    HS2018-0.3(3.5-1) 2 1.8 0.3 3.5 1
    HS2019-0.3-01 2 1.9 0.3
    HS2020-0.3(3.4-0.4) 2 2 0.3 3.4 0.4
  • 50Ω karakteristieke impedantie-enkele kern ronde kop
    50Ω karakteristieke impedantie-enkele kern ronde kop
    Model Maat (mm)
    A B C D E
    HS2020-0,3(3,8-0,8) 2 2 0.3 3.8 0.8
    HS2020-0.3(5.6-2.8) 2 2 0.3 5.6 2.8
    HS2020-0.3(5.7-2.9) 2 2 0.3 5.7 2.9
    HS2020-0.3(6-2) 2 2 0.3 6 2
    HS2020-0.3(12-5) 2 2 0.3 12 5
    HS2022F 2 2.2 0.3 3.1 0.45
    HS2022-0,3(3,2-0,7) 2 2.2 0.3 3.2 0.7
    HS2023-0,3(3,35-0,7) 2 2.3 0.3 3.35 0.7
    HS2023-0,3(3,7-0,7) 2 2.3 0.3 3.7 0.7
    HS2025-0,3(4,8-0,9) 2 2.5 0.3 4.8 0.9
    HS2025-0,3(6-1,5) 2 2.5 0.3 6 1.5
    HS2025-0,38(7,4-1,4) 2 2.5 0.38 7.4 1.4
    HS2026.5-0.3-01 2 2.6 5 0.3 0.1
    HS2028-0,3(4,9-0,5) 2 2.8 0.3 4.9 0.5
    HS2029-0,3(4,1-0,8) 2 2.9 0.3 4.1 0.8
    HS2029-0,3(4,9-0,5) 2 2.9 0.3 4.9 0.5
    HS2030-0,3(5,2-1,5) 2 3 0.3 5.2 1.5
    HS2030-0,3(5,8-1) 2 3 0.3 5.8 1
    HS2030-0.3(8-2) 2 3 0.3 8 2
  • 50Ω karakteristieke impedantie-enkele kern ronde kop
    50Ω karakteristieke impedantie-enkele kern ronde kop
    Model Maat (mm)
    A B C D E
    HS2030-0,3(9-1,5) 2 3 0.3 9 1.5
    HS2034-0,3(4,4-0,7) 2 3.4 0.3 4.4 0.7
    HS2035-0,3(6,6-1,8) 2 3.5 0.3 6.6 1.8
    HS2035-0,3(6,65-1,3) 2 3.5 0.3 6.65 1.3
    HS2035-0,3(7,1-1,3) 2 3.5 0.3 7.1 1.3
    HS2035-0,3(9,5-3) 2 3.5 0.3 9.5 3
    HS2036-0,3(5,7-0,7) 2 3.6 0.3 5.7 0.7
    HS2040A 2 4 0.3 5.1 0.8
    HS2045-0,7(11,5-2) 2 4.5 0.7 11.5 2
    HS2050-0,3(6,4-0,7) 2 5 0.3 6.4 0.7
    HS2507-0,38(2,2-0,3) 2.5 0.7 0.38 2.2 0.3
    HS2508-0,38(1,8-0,3) 2.5 0.8 0.38 1.8 0.3
    HS2508-0,38(2-0,5) 2.5 0.8 0.38 2 0.5
    HS2510-0,38(3,6-1,3 ) 2.5 1 0.38 3.6 1.3
    HS2510-0,38(7-3) 2.5 1 0.38 7 3
    HS2511-0,38(2..4-0,5) 2.5 1.1 0.38 2.4 0.5
    HS2511-0,38 (3,7-0,6) 2.5 1.1 0.38 3.7 0.6
    HS2512-0,38(3,1-0,8) 2.5 1.1 0.38 3.7 0.6
    HS4414-0,3(3,2-1,1) 4.4 1.4 0.3 3.2 1.1
  • 50Ω karakteristieke impedantie-enkele kern ronde kop
    50Ω karakteristieke impedantie-enkele kern ronde kop
    Model Grootte (mm)
    A B C D E
    HS2516-0,3(7,5-2,14) 2.5 1.6 0.3 7.5 2.14
    HS2516-0,3(8-1,8) 2.5 1.6 0.3 8 1.8
    HS2516-0,38 (3,5-0,7) 2.5 1.6 0.38 3.5 0.7
    HS2516-0,38(4,1-1,25) 2.5 1.6 0.38 4.1 1.25
    HS2516-0,38(4,3-1,2) 2.5 1.6 0.38 4.3 1.2
    Ka2511-0,38(2,7-1,0) 2.5 1.1 0.38 2.7 1
    Ka2516-0,38(2,9-0,3) 2.5 1.6 0.38 2.9 0.3
    K2516-0,38(4-1,5) 2.5 1.6 0.38 4 1.5
    HS2516-0,38(4,5-1,2) 2.5 1.6 0.38 4.5 1.2
    HS2516-0,38(4,6-1) 2.5 1.6 0.38 4.6 1
    HS2516E 2.5 1.6 0.38 4.6 1.5
    HS2516G 2.5 1.6 0.38 4.6 1.5
    HS2516-0,38(4,8-1,2) 2.5 1.6 0.38 4.8 1.2
    HS2516-0,38(4,9-1,5) 2.5 1.6 0.38 4.9 1.5
    HS2516-0,38 (5,1-1,6) 2.5 1.6 0.38 5.1 1.6
    HS2516-0,38(5,3-1,2) 2.5 1.6 0.38 5.3 1.2
    Ka2516-0,38(5,6-3,0) 2.5 1.6 0.38 5.6 3
    HS2516-0,38(6,1-1,3) 2.5 1.6 0.38 6.1 1.3
    HS2516-0,38(7,1-1,4) 2.5 1.6 0.38 7.1 1.4
  • 50Ω karakteristieke impedantie-enkele kern ronde kop
    50Ω karakteristieke impedantie-enkele kern ronde kop
    Model Grootte (mm)
    A B C D E
    HS2516-0,38 (7,41-1,27) 2.5 1.6 0.38 7.41 1.27
    HS2516F 2.5 1.6 0.38 7.45 4.55
    HS2516-0.38-01 2.5 1.6 0.38 7.5 1.3
    HS2516-0,38(8-1,8) 2.5 1.6 0.38 8 1.8
    RF2516-0,38 (8-4,6) 2.5 1.6 0.38 8 4.6
    HS2516-0,38(8-5) 2.5 1.6 0.38 8 5
    K2516-0,38(8-1,5) 2.5 1.6 0.38 8 1.5
    K2516-0,38(8-5,9) 2.5 1.6 0.38 8 5.9
    HS2516-0,38(11,6-5) 2.5 1.6 0.38 11.6 5
    HS2516-0,38(12-2,0) 2.5 1.6 0.38 12 2
    HS2520-0,38(6-2) 2.5 2 0.38 6 2
    HS2520-0,38(7,4-1,4) 2.5 2 0.38 7.4 1.4
    HS2520-0,38(7,8-1,4) 2.5 2 0.38 7.8 1.4
    HS2520-0,38(9,0-2,0) 2.5 2 0.38 9 2
    HS2520-0,38(12-5) 2.5 2 0.38 12 5
    HS2520-0,38(15-2) 2.5 2 0.38 15 2
    HS2524-0,38 (5,7-1,1) 2.5 2.4 0.38 5.7 1.1
    HS2526-0,38(6,6-2) 2.5 2.6 0.38 6.6 2
    HS2530-0,38(3,6-0,3) 2.5 3 0.38 3.6 0.3
  • 50Ω karakteristieke impedantie-enkele kern ronde kop
    50Ω karakteristieke impedantie-enkele kern ronde kop
    Model Maat (mm)
    A B C D E
    Ka2530-0,38(4,6-1,0) 2.5 3 0.38 4.6 1
    HS2530A 2.5 3 0.38 5 1
    HS2530-0,38(7,5-1,5) 2.5 3 0.38 7.5 1.5
    HS2530-0,38(8-0,4) 2.5 3 0.38 8 0.4
    HS2530-0,38(8-2) 2.5 3 0.38 8 2
    HS2530-0,38(9-3) 2.5 3 0.38 9 3
    HS2530-0,38(12-2,2) 2.5 3 0.38 12 2.2
    HS2530-0,38(13,9-8,2) 2.5 3 0.38 13.9 8.2
    HS2530-0,38(20-4) 2.5 3 0.38 20 4
    HS2533-0,38 (6,5-1,2) 2.5 3.3 0.38 6.5 1.2
    HS2535-0,38(7,5-2) 2.5 3.5 0.38 7.5 2
    HS2537-0,38(7,7-2) 2.5 3.7 0.38 7.7 2
    HS2540-0,38(11-1,8) 2.5 4 0.38 11 1.8
    HS2545-0,38(8-1,3) 2.5 4.5 0.38 8 1.3
    HS2550-0,38(6,9-1,5) 2.5 5 0.38 6.9 1.5
    HS2550-0,38(11-2) 2.5 5 0.38 11 2
    HS2558-0,38(14,8-6) 2.5 5.8 0.38 14.8 6
    HS2575-0,38(12-1,3) 2.5 7.5 0.38 12 1.3
    HS2810-0,45(3,3-0,35) 2.8 1 0.45 3.3 0.35
  • 50Ω karakteristieke impedantie-enkele kern ronde kop
    50Ω karakteristieke impedantie-enkele kern ronde kop
    Model Maat (mm)
    A B C D E
    HS2815-0,45 (5,75-1,25) 2.8 1.5 0.45 5.75 1.25
    HS2816-0,45 (4,6-1,5) 2.8 1.6 0.45 4.6 1.5
    HS2816-0,45(4,9-1,8)-R 2.8 1.6 0.45 4.9 1.8
    HS2816-0,45 (5,1-1,5) 2.8 1.6 0.45 5.1 1.5
    HS2816-0,45 (5,2-1,1) 2.8 1.6 0.45 5.2 1.1
    HS2816-0,45(5,4-2) 2.8 1.6 0.45 5.4 2
    HS2816-0,45(5,6-2) 2.8 1.6 0.45 5.6 2
    HS2816-0,45 (6,2-1,8) 2.8 1.6 0.45 6.2 1.8
    HS2816-0,45 (8,0-4,6) 2.8 1.6 0.45 8 4.6
    HS2816-0,45(8-1,8) 2.8 1.6 0.45 8 1.8
    HS2816-0,45(11,6-5) 2.8 1.6 0.45 11.6 5
    HS2816-0,45(12-3,0) 2.8 1.6 0.45 12 3
    HS2831-0,45 (5,2-1,8) 2.8 3.1 0.45 5.2 1.8
    HS2843-0,45(8,3-2) 2.8 4.3 0.45 8.3 2
    HS3015-0,5(4,3-0,8) 3 1.5 0.5 4.3 0.8
    HS3016-0,5(3,4-0,9) 3 1.6 0.5 3.4 0.9
    HS3016-0,5(4,6-1) 3 1.6 0.5 4.6 1
    HS3016-0,5(4,6-1,5) 3 1.6 0.5 4.6 1.5
    HS3016B 3 1.6 0.38 4.9 1.8
  • 50Ω karakteristieke impedantie-enkele kern ronde kop
    50Ω karakteristieke impedantie-enkele kern ronde kop
    Model Grootte (mm)
    A B C D E
    HS3016-0,5(5,6-2) 3 1.6 0.5 5.6 2
    HS3016C 3 1.6 0.5 6.6 2
    HS3016-0,5(6,6-2,5) 3 1.6 0.5 6.6 2.5
    HS3016-0,5(7,5-2) 3 1.6 0.5 7.5 2
    HS3016-0,5(7,5-3,9) 3 1.6 0.5 7.5 3.9
    HS3016-0,5(7,8-2,0) 3 1.6 0.5 7.8 2
    HS3016-0,5(9,65-3,05) 3 1.6 0.5 9.65 3.05
    HS3016-0,5(12-5,0) 3 1.6 0.5 12 5
    HS3016-0,5(14,3-1,5) 3 1.6 0.5 14.3 1.5
    HS3020-0,5(5-1,8) 3 2 0.5 5 1.8
    HS3020-0,5(6,0-1,5) 3 2 0.5 6 1.5
    HS3020-0,5(6,5-2,2) 3 2 0.5 6.5 2.2
    HS3020-0,5(6,5-2,3) 3 2 0.5 6.5 2.3
    HS3020-0,5(6,8-1,8) 3 2 0.5 6.8 1.8
    HS3020-0,5(7,5-2,2) 3 2 0.5 7.5 2.2
    HS3020-0,5(8-2) 3 2 0.5 8 2
    HS3020-0,5(8,5-2,2) 3 2 0.5 8.5 2.2
    HS3020-0,5(8,5-4,3) 3 2 0.5 8.5 4.3
    HS3020-0,5(10-4) 3 2 0.5 10 4
  • 50Ω karakteristieke impedantie-enkele kern ronde kop
    50Ω karakteristieke impedantie-enkele kern ronde kop
    Model Grootte (mm)
    A B C D E
    HS3020-0,5(10-1,5) 3 2 0.5 10 1.5
    HS3020-0,5(12-4,0) 3 2 0.5 12 4
    HS3020-0,5(12-5,0) 3 2 0.5 12 5
    HS3020-0,5(12-6) 3 2 0.5 12 6
    HS3020-0,5(15-2) 3 2 0.5 15 2
    HS3025-0,5(5,4-1,2) 3 2.5 0.5 5.4 1.2
    HS3030A 3 3 0.38 10 1.5
    HS3030-0,5(6,5-2) 3 3 0.5 6.5 2
    HS3030-0,5(6,6-1,8) 3 3 0.5 6.6 1.8
    HS3030-0,5(7,5-2)-R 3 3 0.5 7.5 2
    HS3030-0,5(8,8-1,8) 3 3 0.5 8.8 1.8
    HS3030-0,5(10-2) 3 3 0.5 10 2
    HS3030-0,5(12-3) 3 3 0.5 12 3
    HS3030-0,5(12-2) 3 3 0.5 12 2
    HS3030-0,5(14-4,0) 3 3 0.5 14 4
    HS3035-0,5(6-1) 3 3.5 0.5 6 1
    HS3035-0,5(11,5-4) 3 3.5 0.5 11.5 4
    HS3040A 3 4 0.5 10.4 4
    HS3042-0,5(9,0-2,2) 3 4.2 0.5 9 2.2
  • 50Ω karakteristieke impedantie-enkele kern ronde kop
    50Ω karakteristieke impedantie-enkele kern ronde kop
    Model Maat (mm)
    A B C D E
    HS3045-0,5(8,5-2) 3 4.5 0.5 8.5 2
    HS3047-0,5(9,4-2,2) 3 4.7 0.5 9.4 2.2
    HS3047-0,5(12-5,1) 3 4.7 0.5 12 5.1
    HS3050-0,5(9-2) 3 5 0.5 9 2
    HS3052A 3 5.2 0.5 10.3 4
    HS3057-0,5(12,5-3) 3 5.7 0.5 12.5 3
    HS3620-0,5(9-2,5) 3.6 2 0.5 9 2.5
    HS3616-0,6(12,2-1,6) 3.6 1.6 0.6 12.2 1.6
    HS3625-0,6(6,5-2) 3.6 2.5 0.6 6.5 2
    HS2540-0,8(27-5) 2.5 4 0.8 27 5
    HS4030A 4 3 1 10.6 4.6
    HS5010-0,8(5,9-2,45) 5 1 0.8 5.9 2.45
    HS5015-0,8(7,3-4,9) 5 1.5 0.8 7.3 4.9
    HS5016B 5 1.6 0.8 5.6 2
    HS5016-0,8(8,6-3,0) 5 1.6 0.8 8.6 3
    HS5030-0,8(17,2-2) 5 3 0.8 17.2 2
    HS5040-0,8(12-3) 5 4 0.8 12 3
    HS5060-0,8(11,5-2,5) 5 6 0.8 11.5 2.5
    HS5065-0,8(13,7-3) 5 6.5 0.8 13.7 3
  • 50Ω karakteristieke impedantie-enkele kern ronde kop
    50Ω karakteristieke impedantie-enkele kern ronde kop
    Model Grootte (mm)
    A B C D E
    HS5065-0,8(15,5-3) 5 6.5 0.8 15.5 3
    HS5516-0,9(8,3-2,8) 5.5 1.6 0.9 8.3 2.8
    HS5516-0,9(8,5-2,8) 5.5 1.6 0.9 8.5 2.8
    HS5516-0,9(8,7-2,8) 5.5 1.6 0.9 8.7 2.8
    HS5516-0,9(8,9-2,8) 5.5 1.6 0.9 8.9 2.8
    HS5516-0,9(9,1-2,8) 5.5 1.6 0.9 9.1 2.8
    HS5516-0,9(11,9-2,8) 5.5 1.6 0.9 11.9 2.8
    HS5516-0,9(12,6-2) 5.5 1.6 0.9 12.6 2
    HS5516-0,9(13,8-2,8) 5.5 1.6 0.9 13.8 2.8
    HS5525-0,9(9,7-1,6) 5.5 2.5 0.9 9.7 1.6
    HS5525-0,9(16-5) 5.5 2.5 0.9 16 5
    HS5530-0,9(8,8-2,3) 5.5 3 0.9 8.8 2.3
    HS5530-0,9(9,6-2,3) 5.5 3 0.9 9.6 2.3
    HS5530-0,9(13,8-2,8) 5.5 3 0.9 13.8 2.8
    HS5530A 5.5 3 1.35 13.5 7.5
    HS5530B 5.5 3 1.35 13.8 7.8
    HS6016-1,0(8,5-1,5) 6 1.6 1 8.5 1.5
    HS6840-0,9(7-1,5) 6.8 4 0.9 7 1.5
    HS8330-1.3(13-5) 8.3 3 1.3 13 5
  • 50Ω karakteristieke impedantie - enkele kern platte kop
    50Ω karakteristieke impedantie - enkele kern platte kop
    Model Grootte (mm)
    A B C D E
    Ka2008-0.3(1.4-0.3) 2 0.8 0.3 1.4 0.3
    HS2008-0,3(1,65-0,35) 2 0.8 0.3 1.65 0.35
    Ka2008-0.3(1.8-0.3) 2 0.8 0.3 1.8 0.3
    HS2010-0,3(1,9-0,35) 2 1 0.3 1.9 0.35
    HS2010-0.3(2-0.5) 2 1 0.3 2 0.5
    HS2010-0,3(2,5-0,5) 2 1 0.3 2.5 0.5
    HS2013-0.3(2.4-0.4) 2 1.3 0.3 2.4 0.4
    HS2014-0.3(2.6-0.4) 2 1.4 0.3 2.6 0.4
    HS2014E 2 1.4 0.3 2.3 0.45
    HS2014F 2 1.4 0.3 2.35 0.5
    HS2016-0.3-01 2 1.6 0.3 3.1 1
    HS2016-0.3(3.3-0.7) 2 1.6 0.3 3.3 0.7
    HS2016-0.3-02 2 1.6 0.3 3.3 1
    HS2016-0.3(5.6-2) 2 1.6 0.3 5.6 2
    HS2019-0.3(3-0.35) 2 1.9 0.3 3 0.35
    HS2020-0.3-02 2 2 0.3 3.5 0.5
    HS2020-0,3(3,6-0,8) 2 2 0.3 3.6 0.8
    HS2030-0.3(4.2-0.7) 2 3 0.3 4.2 0.7
  • 50Ω karakteristieke impedantie-enkele kern ronde kop
    50Ω karakteristieke impedantie-enkele kern ronde kop
    Model Maat (mm)
    A B C D E
    HS8740-1,38(8,4-3,2) 8.7 4 1.38 8.4 3.2
    HS9430-1.5(9-3) 9.4 3 1.5 9 3
    HS9430-1.5(11-4) 9.4 3 1.5 11 4
    HS9640-1,5(9,2-3,2) 9.6 4 1.5 9.2 3.2
    HS10050-1.7(15-5) 10 5 1.7 15 5
    HS130100-3(18-4) 13 10 3 18 4
  • Karakteristieke impedantie van 50 Ω - Ronde punt met enkele kern
    Karakteristieke impedantie van 50 Ω - Ronde punt met enkele kern
    Model Grootte (mm)
    A B C D E
    HS2330-0,23 (5,3-0,3) 2.3 3 0.23 5.3 0.3
    HS2815-0,3(5,2-1,2) 2.8 1.5 0.3 5.2 1.2
    HS2815-0,3(7,2-1,2) 2.8 1.5 0.3 7.2 1.2
    HS2635-0,3(7,1-1,3) 2.6 3.5 0.3 7.1 1.3
    HS3822-0,5(14,4-3,7) 3.8 2.2 0.5 14.4 3.7
    HS3525-0,5(11,5-6) 3.5 2.5 0.5 11.5 6
  • 50Ω karakteristieke impedantie - enkele kern platte kop
    50Ω karakteristieke impedantie - enkele kern platte kop
    Model Grootte (mm)
    A B C D E
    HS2516-0,38(5,1-2) 2.5 1.6 0.38 5.1 2
    HS2516-0,38 (7,37-4,5) 2.5 1.6 0.38 7.37 4.5
    HS2517-0.38-01 2.5 1.7 0.38 2.7 0.65
    HS2520-0,38(3,2-0,5) 2.5 2 0.38 3.2 0.5
    HS2525-0.38-01 2.5 2.5 0.38 3.65 0.65
    HS2530-0,38(7,5-2,5) 2.5 3 0.38 7.5 2.5
    HS2816-0,45 (4,9-1,8) 2.8 1.6 0.45 4.9 1.8
    HS2816-0.45-01 2.8 1.6 0.45 5 3
    HS2816-0,45(6-1,5) 2.8 1.6 0.45 6 1.5
    HS3030-0,5(7,5-2) 3 3 0.5 7.5 2
  • Karakteristieke impedantie van 50 Ω - platte, ronde punt met enkele kern
    Karakteristieke impedantie van 50 Ω - platte, ronde punt met enkele kern
    Model Grootte (mm)
    A B C D E
    HS2006-0.3(3.1-1.8) 2 0.6 0.3 3.1 1.8
    HS2010-0.3(3.5-2) 2 1 0.3 3.5 2
    HS2020-0.3-01 2 2 0.3 3.7 0.6
    HS2035-0,3(6,4-1,8) 2 3.5 0.3 6.4 1.8
    HS2816-0,45(11,7-7,6) 2.8 1.6 0.45 11.7 7.6
    HS3020-0,5(10-6,5) 3 2 0.5 10 6.5
    HS3216-0,5(7,1-4) 3.2 1.6 0.5 7.1 4
    HS6448-1.0(10.2-3.5) 6.4 4.8 1 10.2 3.5
  • Ka2032-0,3(4,5-1,3)
    Ka2032-0,3(4,5-1,3)
    Model
    Ka2032-0.3(4.5-1.3)
  • K2010-0,3(1,05-0,05)
    K2010-0,3(1,05-0,05)
    Model
    K2010-0.3(1.05-0.05)
  • HS2510-0.3-02
    HS2510-0.3-02
    Model
    HS2510-0.3-02
  • HS3520-0,5(3,4-0,3)
    HS3520-0,5(3,4-0,3)
    Model
    HS3520-0,5(3,4-0,3)
  • Ka3216-0,5(5,85-1,5)
    Ka3216-0,5(5,85-1,5)
    Model
    Ka3216-0,5(5,85-1,5)
  • K2515-0,38(2,9-0,3)
    K2515-0,38(2,9-0,3)
    Model
    K2515-0,38(2,9-0,3)
  • 2-K482515-0,38(2,9-0,3)
    2-K482515-0,38(2,9-0,3)
    Model
    2-K482515-0,38(2,9-0,3)
  • KW2016-0,3(0,7-1,6)
    KW2016-0,3(0,7-1,6)
    Model
    KW2016-0.3(0.7-1.6)
  • KW2016-0.3(1-2.2)
    KW2016-0.3(1-2.2)
    Model
    KW2016-0.3(1-2.2)
  • KW2025-0,3(1-2,2)
    KW2025-0,3(1-2,2)
    Model
    KW2025-0.3(1-2.2)
  • JPW2040-0.3-01
    JPW2040-0.3-01
    Model
    JPW2040-0.3-01
  • KW2018-0,3(0,95-2,1)
    KW2018-0,3(0,95-2,1)
    Model
    KW2018-0.3(0.95-2.1)
  • Niet-50Ω karakteristieke impedantie-enkele kern ronde tip
    Niet-50Ω karakteristieke impedantie-enkele kern ronde tip
    Model Maat (mm)
    A B C D E
    JD1515-0,4 (5-1,5) 1.5 1.5 0.4 5 5
    JD1615-0,4 (8-1,9) 1.6 1.5 0.4 8 8
    JD1616-0,4 (30-14,2) 1.6 1.6 0.4 30 30
    JD1614-0,45 (11,4-5) 1.6 1.4 0.45 11.4 11.4
    JD1616-0,45 (4,65-1,05) 1.6 1.6 0.45 4.65 4.65
    JD1616-0,45(16-4) 1.6 1.6 0.45 16 16
    JD1616-0,45 (30-14,2) 1.6 1.6 0.45 30 30
    JD2020-0,45(6,3-3) 2 2 0.45 6.3 6.3
    JD2020-0,45(10-4) 2 2 0.45 10 10
    JD1614-0,5(9-4) 1.6 1.4 0.5 9 9
    JD1616-0,5 (30-14,2) 1.6 1.6 0.5 30 30
    JD1619-0,5 (5,1-2) 1.6 1.9 0.5 5.1 5.1
    HS2015-0,5(7,5-3) 2 1.5 0.5 7.5 7.5
    JD2016-0.5(12-5.8)-R 2 1.6 0.5 12 12
    HS2018-0,5(9,5-1,5) 2 1.8 0.5 9.5 9.5
    HS2018-0,5(11,5-7,2) 2 1.8 0.5 11.5 11.5
    HS2030-0,5(10-2) 2 3 0.5 10 10
    JD1919-0,6(7,9-1,9)-R 1.9 1.9 0.6 7.9 7.9
  • Niet-50Ω karakteristieke impedantie-enkele kern ronde tip
    Niet-50Ω karakteristieke impedantie-enkele kern ronde tip
    Model Maat (mm)
    A B C D E
    HS2040-0,6(6-1) 2 4 0.6 6 1
    JD1818-0,7(10-6) 1.8 1.8 0.7 10 6
    JD1818-0,7 (22,2-0,4) 1.8 1.8 0.7 22.2 0.4
    HS2016-0,7(4,6-1,5) 2 1.6 0.7 4.6 1.5
    HS2016-0,7(6,3-1,5) 2 1.6 0.7 6.3 1.5
    HS2016-0.7(7.1-1.5)-R 2 1.6 0.7 7.1 1.5
    HS2016-0,7(7,6-1,5) 2 1.6 0.7 7.6 1.5
    HS2016-0.7(9.6-4) 2 1.6 0.7 9.6 4
    K2016-0,7(11-4,6) 2 1.6 0.7 11 4.6
    HS2016-0.7(11.6-5) 2 1.6 0.7 11.6 5
    HS2016-0.7(17-15.1) 2 1.6 0.7 17 15.1
    HS2016-0.7(20-0.3) 2 1.6 0.7 20 0.3
    HS2017-0.7(9.7-3) 2 1.7 0.7 9.7 3
    HS2035-0,7(13-3) 2 3.5 0.7 13 3
    HS2020-0,75(12-4) 2 2 0.75 12 4
    HS2015-0.8(6.5-3) 2 1.5 0.8 6.5 3
    JD2015-0.8(10.5-3) 2 1.5 0.8 10.5 3
    JD2063-0.5(10.3-2) 2 6.3 0.5 10.3 2
  • Niet-50Ω karakteristieke impedantie-enkele kern ronde tip
    Niet-50Ω karakteristieke impedantie-enkele kern ronde tip
    Model Maat (mm)
    A B C D E
    JD2518-0,8 (12,8-5) 2.5 1.8 0.8 12.8 5
    JD2520-0.8(14-4) 2.5 2 0.8 14 4
    JD2540-0,8(10-4) 2.5 4 0.8 10 4
    JD3218-0,8 (51,8-20) 3.2 1.8 0.8 51.8 20
    JD2530-0,9 (6,6-1,8) 2.5 3 0.9 6.6 1.8
    JD2540A 2.5 4 0.8 10 4
    JD2816-1(6,6-2) 2.8 1.6 1 6.6 2
    K2816-1.0(16-10) 2.8 1.6 1 16 10
    JD3218-1(27-15) 3.2 1.8 1 27 15
    JD3015-1.3(10.2-6.1) 3 1.5 1.3 10.2 6.1
    JD3015-1.3(10.5-3) 3 1.5 1.3 10.5 3
    JD3430-1.4(10.5-4.5) 3.4 3 1.4 10.5 4.5
    JD12940-1.7(10-3) 12.9 4 1.7 10 3
    JD3916-2(6.6-2) 3.9 1.6 2 6.6 2
  • Niet-50Ω karakteristieke impedantie-enkele kern platte kop
    Niet-50Ω karakteristieke impedantie-enkele kern platte kop
    Model Grootte (mm)
    A B C D E
    JD1510-0.3-01 1.5 1 0.3 5.5 1.5
    JD1315-0.35-01 1.3 1.5 0.35 3.5 0.3
    JD1515-0,4 (4,5-0,5) 1.5 1.5 0.4 4.5 0.5
    JD1516-0.4-01 1.5 1.6 0.4 14.6 1
    JD1615-0,5 (7-0,5) 1.6 1.5 0.5 7 0.5
    JD1619-0,5 (8,7-3) 1.6 1.9 0.5 8.7 3
    JD1619-0,5 (10,3-4,6) 1.6 1.9 0.5 10.3 4.6
    JD2016-0,5 (4,5-0,6) 2 1.6 0.5 4.5 0.6
    JD2016-0,5(12-5,8) 2 1.6 0.5 12 5.8
    JD2020-0.5-01 2 2 0.5 5.2 0.5
    JD2044-0,5 (6,3-0,4) 2 4.4 0.5 6.3 0.4
    JD1919-0,6 (7,9-1,9) 1.9 1.9 0.6 7.9 1.9
    RF2010-0.7(6.0-3.0) 2 1 0.7 6 3
    JD2015-0.8(6.5-3) 2 1.5 0.8 6.5 3
    RF2016-0.8(6.6-4.5) 2 1.6 0.8 6.6 4.5
    JD2816-1(10,3-4,9) 2.8 1.6 1 10.3 4.9
  • Niet-50Ω karakteristieke impedantie-enkele kern platte ronde punt
    Niet-50Ω karakteristieke impedantie-enkele kern platte ronde punt
    Model Maat (mm)
    A B C D E
    RF1515-0,38(2,9-0,3) 1.5 1.5 0.38 2.9 0.3
    JD1614-0,5 (17,9-0,5) 1.6 1.4 0.5 17.9 0.5
    JD1615-0,5 (9-2,5) 1.6 1.5 0.5 9 2.5
    JD2016-0.7(8.1-4.5) 2 1.6 0.7 8.4 4.5
    JD2040-0,6 (10-4,5) 2 4 0.6 10 4.5
    JD2016-0.7(9.1-2.5) 2 1.6 0.7 9.1 2.5
    JD2035-0.7(22-3) 2 3.5 0.7 22 3
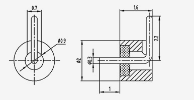
  • Karakteristieke impedantie niet-50Ω - Type spijkerkop
    Karakteristieke impedantie niet-50Ω - Type spijkerkop
    Model Grootte (mm)
    A B C D E F G
    JD1616-0,45 (4,2-1,5) 1.4 1.5 4.2 0.45 1.6 0.8 0.3
    JD1614-0,45 (6,2-0,8) 1.4 0.8 6.2 0.45 1.6 0.8 0.3
    JD1614-0,45 (6,9-1,5) 1.4 1.5 6.9 0.45 1.6 0.8 0.2
    JD1620-0,45(7-1) 2 1 7 0.45 1.6 1 0.3
    JD1630-0,5 (7,5-0,5) 3 0.5 7.5 0.5 1.6 0.6 0.2
    JD1630-0,5 (10,5-0,5) 3 0.5 10.5 0.5 1.6 0.6 0.2
    JD1816-0,5 (20-0,5) 1.6 0.5 20 0.5 1.8 0.7 0.3
    JD2020B 2 2 0.6 5.7 1
  • JP2016-0,7(7,1-1,5)
    JP2016-0,7(7,1-1,5)
    Model
    JP2016-0,7(7,1-1,5)

    Model Maat (mm)
    A B C D E F G
    JD1614-0,45(6,9-1,5)-R 1.4 1.5 6.9 0.45 1.6 0.8 0.2
    JD1630-0,5(7,5-0,5)-R 3 0.5 7.5 0.5 1.6 0.6 0.2
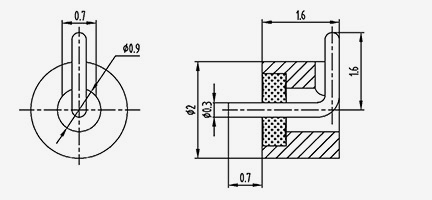
  • Karakteristieke impedantie niet-50Ω - Type spijkerkop
    Karakteristieke impedantie niet-50Ω - Type spijkerkop
    Model Maat (mm)
    A B C D E F G
    JD1614-0,45(6,9-1,5)-R 1.4 1.5 6.9 0.45 1.6 0.8 0.2
    JD1630-0,5(7,5-0,5)-R 3 0.5 7.5 0.5 1.6 0.6 0.2
  • JD1516-0.4-02
    JD1516-0.4-02
    Model
    JD1516-0.4-02
  • RF1816-0,8(6,6-4,5)-2
    RF1816-0,8(6,6-4,5)-2
    Model
    RF1816-0.8(6.6-4.5)-2
  • 2-RF281515-0,38(2,9-0,3)
    2-RF281515-0,38(2,9-0,3)
    Model
    2-RF281515-0,38(2,9-0,3)
  • 2-RF301516-0,5 (5,85-1,5)
    2-RF301516-0,5 (5,85-1,5)
    Model
    2-RF301516-0,5(5,85-1,5)
  • JD301520-0.5-01
    JD301520-0.5-01
    Model
    JD301520-0.5-01
  • JD301515-0.5-01
    JD301515-0.5-01
    Model
    JD301515-0.5-01
  • JD201315-0.35-01
    JD201315-0.35-01
    Model
    JD301515-0.5-01
  • JD271516-0.4-02
    JD271516-0.4-02
    Model
    JD271516-0.4-02
  • JD271516-0.4-01
    JD271516-0.4-01
    Model
    JD271516-0.4-01
  • JD2615-0.35-01
    JD2615-0.35-01
    Model
    JD2615-0.35-01
  • 3-RF411515-0,38(2,9-0,3)
    3-RF411515-0,38(2,9-0,3)
    Model
    3-RF411515-0,38(2,9-0,3)
  • 3-RF421516-0,5 (5,85-1,5)
    3-RF421516-0,5 (5,85-1,5)
    Model
    3-RF421516-0,5(5,85-1,5)
  • JD261516-0.3-01
    JD261516-0.3-01
    Model
    JD261516-0.3-01
  • JD391516-0.4-01
    JD391516-0.4-01
    Model
    JD391516-0.4-01
  • JD2815-0.35-01
    JD2815-0.35-01
    Model
    JD2815-0.35-01
  • RF3416-0,8(6,6-4,5)-4
    RF3416-0,8(6,6-4,5)-4
    Model
    RF3416-0.8(6.6-4.5)-4
  • 4-RF3416-0,5 (5,85-1,5)
    4-RF3416-0,5 (5,85-1,5)
    Model
    4-RF3416-0,5(5,85-1,5)
  • JD341315-0,35-01
    JD341315-0,35-01
    Model
    JD341315-0.35-01
  • JD272716-0.4-01
    JD272716-0.4-01
    Model
    JD272716-0.4-01
  • JD511516-0.4-01
    JD511516-0.4-01
    Model
    JD511516-0.4-01
  • JD2016-0.3-01
    JD2016-0.3-01
    Model
    JD2016-0.3-01
  • JD3115-0.35-01
    JD3115-0.35-01
    Model
    JD3115-0.35-01
  • JD631516-0.4-01
    JD631516-0.4-01
    Model
    JD631516-0.4-01
  • RF1816-0,8(6,6-4,5)-6
    RF1816-0,8(6,6-4,5)-6
    Model
    RF1816-0.8(6.6-4.5)-6
  • 6-RF811515-0,5(0,5-8,2)
    6-RF811515-0,5(0,5-8,2)
    Model
    6-RF811515-0,5(0,5-8,2)
  • 6-RF821515-0,5 (5,5-2,5)
    6-RF821515-0,5 (5,5-2,5)
    Model
    6-RF821515-0,5(5,5-2,5)
  • JD501516-0.4-01
    JD501516-0.4-01
    Model
    JD501516-0.4-01
  • JD811520-0,5-0,1
    JD811520-0,5-0,1
    Model
    JD811520-0,5-0,1
  • 7-RF941515-0,5(5,5-2,5)
    7-RF941515-0,5(5,5-2,5)
    Model
    7-RF941515-0,5(5,5-2,5)
  • JD1201515-0.5-01
    JD1201515-0.5-01
    Model
    JD1201515-0.5-01
  • JMC-265-JH
    JMC-265-JH
    Model
    JMC-265-JH
  • JD1201515-0.5-02
    JD1201515-0.5-02
    Model
    JD1201515-0.5-02
  • RF1816-0,8(6,6-4,5)-9
    RF1816-0,8(6,6-4,5)-9
    Model
    RF1816-0.8(6.6-4.5)-9
  • JYZ22-0.45-01
    JYZ22-0.45-01
    Model
    JYZ22-0.45-01
  • Niet-50Ω karakteristieke impedantie - meerkernig
    Niet-50Ω karakteristieke impedantie - meerkernig
    Model Maat (mm)
    A B C D E F G H een doorhaal rij Beëindiging
    JD156018-0,3(27,2-0,8)-8 27.2 0.8 1.4 6 1.8 0.6 0.3 0 8 1 Bovenvlakverlijming van de binnengeleider
    JD151152-0,3(4,5-1,5)-9 4.5 1.5 1.5 11.5 2 1.27 0.3 0 9 1 Solderen
    2-JD162020-0,3(5-1,7)-4 A1=5
    A2=3,6
    B1=1,7
    B2=1
    1.6 2 2 0.57 0.3 0.57 4 2 Vlakverlijming aan beide zijden van de binnengeleiders
    2-JD162020-0,3(7,6-1,7)-4 A1=7,6
    A2=3,6
    B1=1,7
    B2=1
    1.6 2 2 0.57 0.3 0.56 4 2 Vlakke verlijming aan beide zijden van de binnenste geleideruiteinden
    JD158215-0,38(7-0,8)-6 7 0.8 1.5 8.2 1.5 1.27 0.38 0 6 1 Verlijming van de bovenste nagelkop
    JD153015-0,38(8-1,9)-2 8 1.9 1.5 3 1.5 1.27 0.38 0 2 1 Gelast
    2-JD162525-0,38(10,6-3,5)-4 10.6 3.5 1.6 2.5 2.5 0.71 0.38 0.71 4 2 Solderen
    2-JD187425-0,38(3,8-1)-16 A1=3,8
    A2=5,2
    B1=1
    B2=1,7
    1.8 7.4 2.5
    4
    0.88 0.38 1.02 16 2 De uiteinden van de binnengeleider zijn afgevlakt en zijdelings verbonden
    JD1510516-0,45(7,5-2)-8 7.5 2 1.5 10.5 1.6 1.27 0.45 0 8 1 Solderen
    JD155515-0,5(5,7-1,7}-4 5.7 1.7 1.5 5.5 1.5 1.27 0.5 0 4 1 Binnengeleider bovenzijde afgeplatte verlijming
    JD1512015-0,5(5,8-2,5)-9 5.8 2.5 1.5 12 1.5 1.27 0.5 0 9 1 Onderste binnengeleider afgeplatte zijdelingse verbinding
    JD153015-0,5(7-0,5)-2 7 0.5 1.5 3 1.5 1.27 0.5 0 2 1 Verlijming van binnengeleideruiteinden
  • Niet-50Ω karakteristieke impedantie - meerkernig
    Niet-50Ω karakteristieke impedantie - meerkernig
    Model Grootte (mm)
    A B C D E F G H eeN doorhaal rij Beëindiging
    JD153815-0,5(7,7-1,2)-2 7.7 1.2 1.5 3.8 1.5 2.1 0.5 0 2 1 Binnengeleider bovenzijde afgeplatte verlijming
    JD153015-0,5(13,5-4)-2 13.5 4 1.5 3 1.5 1.27 0.5 0 2 1 Lassen
    JD1613215-0,5(10,6-2)-10 10.6 2 1.6 13.2 1.5 1.27 0.5 0 10 1 Solderen
    JD302915-0,5(8-1)-2 8 1 3 2.9 1.5 1.27 0.5 0 2 1 Bovenvlakverlijming van de binnengeleider
    2-JD165528-0,5(7,6-1)-8 7.6 1 1.6 5.5 2.8 1.07 0.5 0 8 2 Bovenvlakverlijming van de binnengeleider
    2-JD154330-0,5(5,8-2)-5 Al=5,8
    A2=5,1
    B1=2
    B2=1,3
    1.5 4.3 3 1.27 0.5 1.5 5 2 Soldeer Afvlakking bovenzijde
    2-JD156830-0,5(5,8-2)-9 Al=5,8
    A2=5,1
    B1=2
    B2=1,3
    1.5 6.8 n 1.27 0.5 1.5 6 2 Lasafvlakking van de bovenzijde van de binnengeleider
    2-JD1512030-0,5(9,3-2,8)-18 A1=9,3
    A2=8
    B1=2,8
    B2=1,5
    1.5 12 3 1.27 0.5 1.5 18 2 Lassen Flattening of inner conductor ends
    3-JD155545-0,5(9,5-4)-12 Al=9,5
    A2=7,5
    A3=5,5
    B1=4
    B2=3
    B3=2
    1.5 5.5 4.5 1.27 0.5 1.5 12 3 Solderen
    2-JD207015-0,6(7-3)-10 A1=7
    A2=6
    B1=3
    B2=2
    2 7 1.5 1.27 0.6 1.5 10 2 Binnengeleider afgevlakt en aan beide zijden verlijmd
    2-JD3012230-0,6(10,8-5)18 10.8 5 3 12.2 3 1.27 0.6 1.5 18 2 Onderste binnengeleiderzijde afgeplatte verlijming
  • JYZ22-0.45-02
    JYZ22-0.45-02
    Model
    JYZ22-0.45-02

HOUD CONTACT

[#invoer#]
VERZENDEN
Over ons
Ningbo Hanson Communicatietechnologie Co., Ltd.
Ningbo Hanson Communicatietechnologie Co., Ltd.
Ningbo Hanson Communication Technology Co., Ltd. is China RF-glasisolator Supplier and Custom RF-glasisolator Company. We are a manufacturer specializing in the production, processing, and trade of communication components, with more than 30 years of experience in RF coaxial connectors, adapters, and cable assemblies. Het bedrijf heeft nu een eigen bewerkingswerkplaats, galvaniseerwerkplaats, assemblagewerkplaats en een groep stabiele en betrouwbare leveranciers ontwikkeld. Het doel van het bedrijf is om klanten producten van hoge kwaliteit te bieden. De belangrijkste producten zijn RF-coaxiale connectoren, adapters, hoogfrequente kabelassemblages en kabelassemblages met lage intermodulatie. Daarnaast kan het bedrijf ook diensten verlenen aan klanten met aangepaste behoeften om te voldoen aan de speciale productvereisten van klanten. De producten van het bedrijf worden veel gebruikt in de lucht- en ruimtevaart, communicatiebasisstations, medische apparatuur en andere hightechgebieden. Ten tijde van bedrijfshervormingen, innovatie, ontwikkeling en groei nam het bedrijf het initiatief om zich aan te sluiten bij het ISO9001 internationale kwaliteitsmanagementsysteem en verbeterde het managementniveau voortdurend om meer bevredigende producten en diensten aan nieuwe en oude klanten te bieden.
Laatste nieuws
Op zoek naar zakelijke kansen?

Vraag vandaag nog een gesprek aan