OEM N type RF Coaxial Connector Supplier

Ningbo Hanson Communicatietechnologie Co., Ltd. Thuis / Producten / RF-coaxiale connector / N-type RF-coaxiale connector

N-type RF-coaxiale connector

Beschrijving:

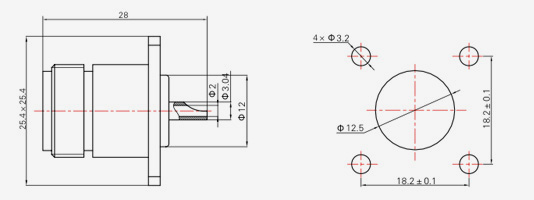
De RF-coaxiale connector van het N-type is een RF-coaxiale connector met een verbindingsmechanisme met schroefdraad, ontwikkeld en geproduceerd in overeenstemming met de Amerikaanse militaire standaard MIL-C-39012. Het heeft de kenmerken van een grote bandbreedte, goede schokbestendigheid, hoge betrouwbaarheid en uitstekende prestaties, en wordt veel gebruikt in microgolfcommunicatie- en meetsystemen. De karakteristieke impedantie van de N-type RF-coaxiale connector geproduceerd door onze fabriek is verdeeld in twee typen: 50Ω en 75Ω.

Parameter:

Belangrijkste technische specificaties:
◆ Karakteristieke impedantie: 50Ω/75Ω
◆ Frequentiebereik: DC-18GHz(50Ω)/DC-3GHz(75Ω)
◆ Isolatieweerstand: ≥5000MΩ
◆ Diëlektrische weerstandsspanning: 1500V (rms)
◆ Spanning staande golfverhouding (VSWR): ≤1,30
◆ Paringscycli: 500 keer

Informeer

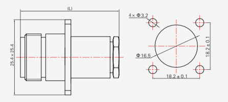
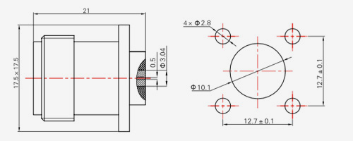
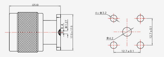
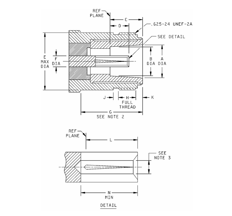
Afm
Ltr
Inch (mm)
Min. Max.
A .336 (8,53) .344 (8,74)
B .316 (8,03) .320 (8.13)
C .356 (9,04) .362 (9,19)
D .187 (4,75) .207 (5,26)
E ------- .627 (15,93)
F .119 (3,02) .124 (3,15)
G .422 (10,72) -------
H .172 (4,37) .220 (5,59)
J .047 (1,19) .077 (1,96)
K .047 (1,19) .077 (1,96)
L .187 (4,75) .207 (5,26)
N .210 (5,33) -------

Opmerkingen:
1. Deze interface moet voldoen aan de profielvereisten zoals gespecificeerd in
MIL-PRF-39o12/2.
2. Vrije ruimte voor de koppelmoer van de bijpassende connector.
3. Om te voldoen aan VSwR, paringseigenschappen, contactweerstand en
duurzaamheid van de connector indien gecombineerd met een pin met een diameter van .063/.066.

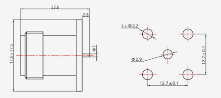
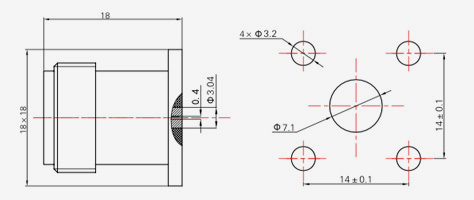
Afm
Ltr
Inch (mm)
Min. Max.
A 1.740 (44.20) 1.760 (44.70)
B 1.537 (39.04) 1.543 (39.19)
C 1,060 (26,92) 1,064 (27,03)
D .964 (24,49) .974 (24,74)
E .194 (4,93) .196 (4,98)
F .836 (21.23) .856 (21,74)
G .372 (9,45) .392 (9,96)
H .271 (6,88) .291 (7,39)
J 551 (14.00) .571 (14,50)
K .370 (9,40) .380 (9,65)
L .001 (0,03) .013 (0,33)

Opmerkingen:
1. Deze interface moet voldoen aan de profielvereisten zoals gespecificeerd in MIL-PRF-39012/44.

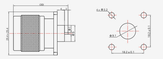
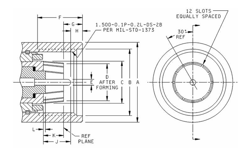
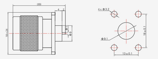
Afm
Ltr
Inch (mm)
Min. Max.
A 1,404 (35,66) 1,408 (35,76)
B 1.100 (27,94) 1.120 (28.45)
C 1,998 (50,75) 1,002 (25,45)
D 936 (23,77) .940 (23,88)
E .191 (4,85) .195 (4,95)
F .763 (19,38) .783 (19,89)
G .465 (11,81) .485 (12,32)
H .062 (1,57) Referentie
J .302 (7,67) .322 (8,18)
K .302 (7,67) .322 (8,18)
L .001 (0,03) .013 (0,33)
M .490 (12,45) .510 (12,95)
N .240 (6,10) ,260 (6,60)
P .187 (4,75) .189 (4,80)
R .014 (0,36) .018 (0,46)

Opmerkingen:
1. Deze interface moet voldoen aan de profielvereisten zoals gespecificeerd in MIL-PRF-39012/45.

N SERIES
  • N-JB2
    N-JB2
    MoDel Kabeltype d
    N-JB2 SFT-50-2.670-086 Φ2.2
    N-JB3 SFT-50-3.670-141 Ф3,6
  • N-JB3-1
    N-JB3-1
    Model Kabeltype L
    N-JB3-1 SFT-50-3.670-141 17.6
    N-JB3A-1 SFT-50-3.670-141 16.5
  • N-KB3
    N-KB3
    Model Kabeltype
    N-KB3 SFT-50-3,670-141
  • N-KFB3
    N-KFB3
    Model Kabeltype
    N-KFB3 SFT-50-3,670-141
  • N-KYB3
    N-KYB3
    Model Kabeltype
    N-KYB3 SFT-50-3,670-141
  • N-J3
    N-J3
    Model Kabeltype
    N-J3 SYV-50-2-1,RG316
    N-J4 SYV-50-2-2
  • N-J5
    N-J5
    Model Kabeltype L
    N-J5 SYV-50-3,RG142, SFCJ-50-3-51 33
    N-J5C SYV-50-3,RG142, SFCJ-50-3-51 33
    N-J7 SYV-50-5-1, SFCJ-50-5-51 36
    N-J10 SYV-50-7-1, SYV-50-7-2,SFCJ-50-7-51 36
  • N-J5.3
    N-J5.3
    Model Kabeltype
    N-J5.3 32055,205,GNB415
  • N-J10-1
    N-J10-1
    Model Kabeltype
    N-J10-1 SFCJ-50-7-51
  • N-JW5
    N-JW5
    Model Kabeltype
    N-JW5 SFCJ-50-3-51,SYV-50-3-4,RG142
    N-JW7 SFCJ-50-5-51,SYV-50-5-1
    N-JW10 SFCJ-50-7-51,SYV-50-7-2
  • N-JW8A
    N-JW8A
    Model Kabeltype
    N-JW8A FFB311A,SYV-50-5
    N-JW12A SYV-75-3
    N-JW13A SYV-75-5
  • N-K3
    N-K3
    Model Kabeltype
    N-K3 SYV-50-2-1,RG316
  • N-K5
    N-K5
    Model Kabeltype L
    N-K5 SYV-50-3,RG142, SFCJ-50-3-51 36
    N-K7 SYV-50-5-1,SFCJ-50-5-51 38
    N-K10 SYV-50-7-1,SFCJ-50-7-51 38
  • N-KF5
    N-KF5
    Model Kabeltype L
    N-KF5 SYV-50-3,RG142,SFCJ-50-3-51 36
    N-KF7 SYV-50-5-1,SFCJ-50-5-51 38
    N-KF10 SYV-50-7-1,SFCJ-50-7-51 38
  • N-KF3A
    N-KF3A
    Model Kabeltype L
    N-KF3A SYV-50-2-1,RG316 33
    N-KF5A SYV-50-3-4,RG142 42
  • N-KY3Y
    N-KY3Y
    Model Kabeltype
    N-KY3Y SYV-50-2-1,RG316
  • N-KFD
    N-KFD
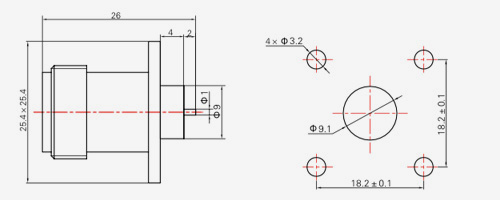
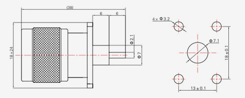
    Model L L1 L2
    KFD 26 4 2
    KFD2 31 6 5
    KFD15 30 6 4
    KFD16 28.5 6 2.5
    KFD17 28 6 2
    KFD18 29 5 4
    KFD19 29 4 5
    KFD20 33 4 9
  • N-KF
    N-KF
  • N-JFD1
    N-JFD1
  • N-JFD2
    N-JFD2
  • N-JFD3
    N-JFD3
  • N-JFD23
    N-JFD23
  • N-KFD1
    N-KFD1
  • N-KFD7
    N-KFD7
  • N-KFD11
    N-KFD11
  • N-KFD50
    N-KFD50
  • N-KFD-Z
    N-KFD-Z
  • N-KFD9
    N-KFD9
  • N-KFD14
    N-KFD14

HOUD CONTACT

[#invoer#]
VERZENDEN
Over ons
Ningbo Hanson Communicatietechnologie Co., Ltd.
Ningbo Hanson Communicatietechnologie Co., Ltd.
Ningbo Hanson Communication Technology Co., Ltd. is China N type RF Coaxial Connector Supplier and Custom N type RF Coaxial Connector Company. We are a manufacturer specializing in the production, processing, and trade of communication components, with more than 30 years of experience in RF coaxial connectors, adapters, and cable assemblies. Het bedrijf heeft nu een eigen bewerkingswerkplaats, galvaniseerwerkplaats, assemblagewerkplaats en een groep stabiele en betrouwbare leveranciers ontwikkeld. Het doel van het bedrijf is om klanten producten van hoge kwaliteit te bieden. De belangrijkste producten zijn RF-coaxiale connectoren, adapters, hoogfrequente kabelassemblages en kabelassemblages met lage intermodulatie. Daarnaast kan het bedrijf ook diensten verlenen aan klanten met aangepaste behoeften om te voldoen aan de speciale productvereisten van klanten. De producten van het bedrijf worden veel gebruikt in de lucht- en ruimtevaart, communicatiebasisstations, medische apparatuur en andere hightechgebieden. Ten tijde van bedrijfshervormingen, innovatie, ontwikkeling en groei nam het bedrijf het initiatief om zich aan te sluiten bij het ISO9001 internationale kwaliteitsmanagementsysteem en verbeterde het managementniveau voortdurend om meer bevredigende producten en diensten aan nieuwe en oude klanten te bieden.
Laatste nieuws
Op zoek naar zakelijke kansen?

Vraag vandaag nog een gesprek aan